1.Material of valve body and disc are all adopted QT450-10, with level-3 spheroidization rate, 450Mpa tensile strength, mechanical performance is fully up to standard.
2. Valve shaft uses self-lubricating sleeve bearing as support to reduce friction and reduce torque during valve shaft transmission.
3. Valve seat is welded with stainless steel to ensure the sealing between the valve plate and the valve seat.
4. The same diameter has heavier weight compared with other manufacturers.
5. From the raw material to the finished product, every process has strict inpection.
6. Pango brand products are covered by the China Pacific Insurance with 10 million dollars,2 years warranty, pay two back if one bad,any quality problem of the product itself, we will pay without conditions.

Parameter Information:
1. Executive standard:
| Name | Design and manufacture | Face to face Length | Pressure Test | Top Flange | End Flange |
| Reference Standard | GB/T 12238-2008 | GB/T 12221-2008 | GB/T 13927-2008 | ISO 5211 | GB/T 17241.6-2008/ EN1092-1 |
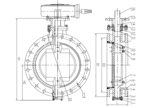
2. Material of Main Parts:
| Name | 1-Body | 2-Seat | 3-Disc | 4-Stem | 5-Worm Gear |
| Material | DI | EPDM | DI | 2Cr13 | DI |
3. Dimensions:
| Size | PN10 |
| DN | NPS (Inch) | L | D1 | D2 | D3 | n-d |
| 100 | 4'' | 190 | 220 | 180 | 156 | 8-19 |
| 125 | 5'' | 200 | 250 | 210 | 184 | 8-19 |
| 150 | 6'' | 210 | 285 | 240 | 211 | 8-23 |
| 200 | 8'' | 230 | 340 | 295 | 266 | 8-23 |
| 250 | 10'' | 250 | 395 | 350 | 319 | 12-23 |
| 300 | 12'' | 270 | 445 | 400 | 370 | 12-23 |
| 350 | 14'' | 290 | 505 | 460 | 429 | 16-23 |
| 400 | 16'' | 310 | 565 | 515 | 480 | 16-28 |
| 450 | 18'' | 330 | 615 | 565 | 530 | 20-28 |
| 500 | 20'' | 350 | 670 | 620 | 582 | 20-28 |
| 600 | 24'' | 390 | 780 | 725 | 682 | 20-31 |
| 700 | 28'' | 430 | 895 | 840 | 794 | 24-31 |
| 800 | 32'' | 470 | 1015 | 950 | 901 | 24-34 |
| 900 | 36'' | 510 | 1115 | 1050 | 1001 | 28-34 |
| 1000 | 40'' | 550 | 1230 | 1160 | 1112 | 28-36 |
| 1200 | 48'' | 630 | 1455 | 1380 | 1328 | 32-39 |
| 1400 | 56'' | 710 | 1675 | 1590 | 1530 | 36-43 |
| 1600 | 64'' | 790 | 1915 | 1820 | 1750 | 40-49 |
| 1800 | 72'' | 870 | 2115 | 2020 | 1950 | 44-49 |
| 2000 | 80'' | 950 | 2325 | 2230 | 2150 | 48-49 |
| Size | PN16 |
| DN | NPS (Inch) | L | D1 | D2 | D3 | n-d |
| 100 | 4'' | 190 | 220 | 180 | 156 | 8-19 |
| 125 | 5'' | 200 | 250 | 210 | 184 | 8-19 |
| 150 | 6'' | 210 | 285 | 240 | 211 | 8-23 |
| 200 | 8'' | 230 | 340 | 295 | 266 | 12-23 |
| 250 | 10'' | 250 | 405 | 355 | 319 | 12-28 |
| 300 | 12'' | 270 | 460 | 410 | 370 | 12-28 |
| 350 | 14'' | 290 | 520 | 470 | 429 | 16-28 |
| 400 | 16'' | 310 | 580 | 525 | 480 | 16-31 |
| 450 | 18'' | 330 | 640 | 585 | 548 | 20-31 |
| 500 | 20'' | 350 | 715 | 650 | 609 | 20-34 |
| 600 | 24'' | 390 | 840 | 770 | 720 | 20-37 |
| 700 | 28'' | 430 | 910 | 840 | 794 | 24-37 |
| 800 | 32'' | 470 | 1025 | 950 | 901 | 24-40 |
| 900 | 36'' | 510 | 1125 | 1050 | 1001 | 28-40 |
| 1000 | 40'' | 550 | 1255 | 1170 | 1112 | 28-43 |
| 1200 | 48'' | 630 | 1485 | 1390 | 1328 | 32-49 |
| 1400 | 56'' | 710 | 1685 | 1590 | 1530 | 36-49 |
| 1600 | 64'' | 790 | 1930 | 1820 | 1750 | 40-56 |
| 1800 | 72'' | 870 | 2130 | 2020 | 1950 | 44-56 |
| 2000 | 80'' | 950 | 2345 | 2230 | 2150 | 48-62 |